Urządzenia dla linii napowietrznych SN – Napędy silnikowe
Napędy silnikowe łączników
Napęd NEA-02 przeznaczony jest do współpracy ze wszystkimi dostępnymi na rynku aparatami napowietrznymi linii średniego napięcia wykorzystującymi ruch obrotowy cięgła.
Napędy silnikowe
Napędy ręczne NEA
Charakterystyka i przeznaczenie:
Napęd NEA-02 przeznaczony jest do współpracy ze wszystkimi dostępnymi na rynku aparatami napowietrznymi linii średniego napięcia wykorzystującymi ruch obrotowy cięgła.
Przekładnia napędu i układ automatyki jest umieszczony wewnątrz szczelnej obudowy o klasie ochronności IP54.
Obudowa wykonana jest z blachy aluminiowej malowanej farbą proszkową. Od wewnątrz znajduje się warstwa termoizolacyjna. Obudowa może być wyposażona w dowolny rodzaj zamka, według życzenia klienta. Odpowiednio dobrany układ mechaniczny współpracuje z wysokiej klasy układem elektronicznym. Układ elektroniczny realizuje funkcje załączenia i wyłączenia silnika z funkcją soft startu PWM ograniczającą prąd rozruchowy oraz umożliwia współpracę z każdym układem telemechaniki. W napędzie zastosowano silnik o wysokiej sprawności i mocy 250 W z magnesami trwałymi – co pozwala osiągać bardzo wysokie momenty obrotowe i bardzo krótkie czasy otwarcia/zamknięcia łączników – na poziomie 1,5 s. Płyta czołowa zawiera niezbędne elementy do sterowania napędem (przyciski załącz/wyłącz, łącznik wyboru pracy, korbę) oraz układ blokady mechaniczno-elektrycznej z możliwością założenia kłódki.
Na wyświetlaczu pokazane są następujące informacje: aktualna pozycja aparatu (ON lub OFF), temperatura, jaka panuje we wnętrzu skrzynki napędu, ilość wykonanych cykli przełączeń, aktualne napięcie zasilania obwodu silnika (24 V). Napięcie, jakie zostało zmierzone podczas ostatniego cyklu załączania lub rozłączania aparatu.
Zalety:
Napęd silnikowy NEA-02 wyposażony jest w elektroniczny sterownik odpowiadający za sterowanie silnikiem, komunikację ze zdalnym sterownikiem telemechaniki, termostat oraz wyświetlacz.
Elektroniczne sterowanie silnikiem pozwoliło całkowicie wyeliminować wszelkie elementy stykowe (styczniki, przekaźniki), a co za tym idzie wyeliminowany jest problem śniedziejących styków i zacinających się elementów ruchomych. Zaśniedziałe styki powodują zmniejszenie mocy napędu, co skutkuje wydłużeniem czasu cyklu załączania lub rozłączania aparatu, a w skrajnych przypadkach całkowite niezadziałanie napędu.
Sterownik elektroniczny posiada szereg zabezpieczeń przeciwprzepięciowych oraz przeciwzakłóceniowych, dzięki którym sam jest dobrze chroniony i gwarantuje poprawność zadziałania jak i to, że nie załączy się przez przypadek.
Dodatkową zaletą zastosowania elektronicznego sterownika jest łagodne załączanie silnika, dzięki czemu w początkowej fazie rozruchu silnika napędzającego nie dochodzi do „uderzenia” prądowego, które w istotny sposób skraca żywotność akumulatorów. Sterownik pozwala również na dynamiczne hamowanie silnika po osiągnięciu zadanej pozycji aparatu elektrycznego, nie przeciąża to mechanicznie aparatu oraz cięgien.
Napęd dzięki zamontowanemu termostatowi sterującemu grzałką (230 V) utrzymuje we wnętrzu obudowy optymalne warunki pracy.
Na wbudowanym wyświetlaczu pokazywane są następujące informacje: aktualna pozycja aparatu (ON lub OFF), temperatura, jaka panuje we wnętrzu skrzynki napędu, ilość wykonanych cykli przełączeń, aktualne napięcie zasilania obwodu silnika (24 V). Napięcie, jakie zostało zmierzone podczas ostatniego cyklu załączania lub rozłączania aparatu (niski stan tego napięcia może sygnalizować albo zły stan akumulatora lub też problem styku na kablach zasilających).
Obwody elektroniczne oraz silnik są zabezpieczone przed wilgocią, co ma bardzo duży wpływa na żywotność napędu. Wszystkie części metalowe pokryte są zabezpieczeniem antykorozyjnym lub wykonane z materiałów odpornych na korozję.
Szafka zamykana na klucz stanowi dobre zabezpieczenie przed warunkami atmosferycznymi, jak również przed dostaniem się do napędu osób niepowołanych.
Wewnątrz szafki zamontowane jest oświetlenie ułatwiające operacje monterskie po zmroku. Zarówno oświetlenie szafki jak i wyświetlacz gasną automatycznie po zamknięciu drzwi.
Napędy posiadają możliwość ustawienia zakresu pracy aparatu elektrycznego w zakresie do 320°.
Prosta budowa mechaniczna z wykorzystaniem wypróbowanych mechanizmów w połączeniu z nowoczesną elektroniką daje żywotność całego automatu do 5000 cykli łączeniowych, duży znamionowy moment obrotowy 70 Nm (max 300 Nm), niezawodność działania, skrócony czas trwania wyłączeń awaryjnych.
W przypadku zaniku napięcia możliwość przełączenia ręcznego. Małe gabaryty oraz niska waga napędu. Dostosowany do potrzeb Polskiej Energetyki.
Dane techniczne

Budowa i zasada działania:
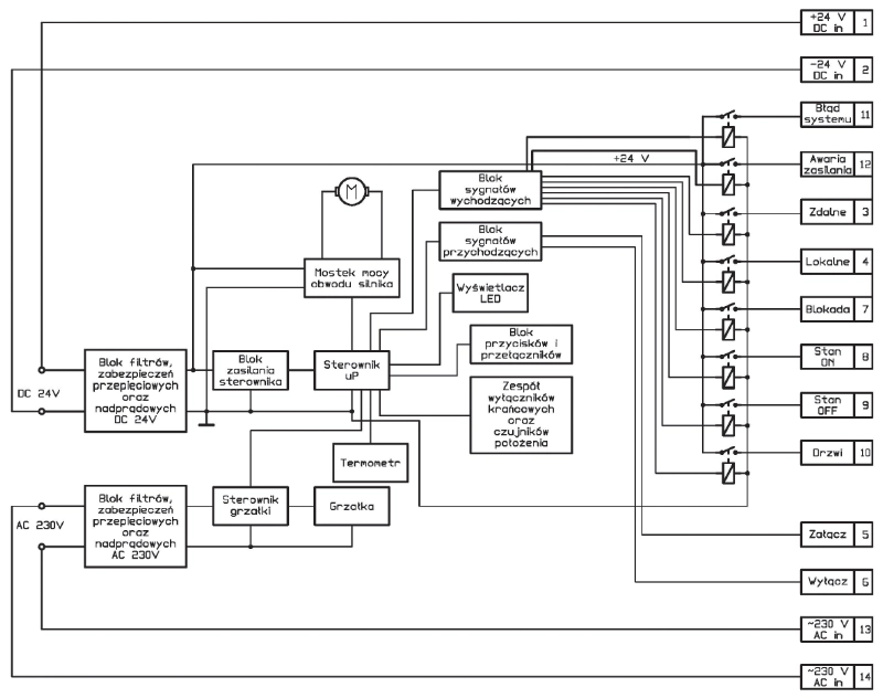
W skład napędu silnikowego wchodzą:
- silnik prądu stałego o mocy 250 W;
- przekładnia ślimakowa 10:1;
- mechanizm blokady mechanicznej całego napędu;
- mechanizm napędu ręcznego;
- wyłączniki krańcowe oraz czujniki położenia;
- listwa zaciskowa do podłączenia obwodów zasilania;
- mikroprocesorowy sterownik elektroniczny;
- oświetlenie panelu sterowniczego;
- grzałka sterowana termostatem elektronicznym.
OBUDOWA
Obudowa wykonana jest z blachy aluminiowej, pokrytej warstwą farby proszkowej epoksydowej. Drzwi uszczelnione są uszczelką silikonową. Konstrukcja obudowy zapewnia stopień ochrony wnętrza na poziomie IP54. Przy drzwiach znajduje się czujnik sygnalizujący otwarcie drzwi operatorowi zdalnemu oraz pełniący funkcję załączanie oświetlenia wewnątrz obudowy i wyświetlacza na panelu sterowniczym.

CZĘŚĆ MECHANICZNA
Układ mechaniczny wraz z przekładnią jest osadzony czteropunktowo na tylnej części obudowy.
W napędzie zastosowano hermetyczną przekładnię ślimakową pracującą w oleju wraz z przekładnią wstępną zespoloną z silnikiem. Na przekładni osadzone są elementy umożliwiające blokowanie mechaniczne oraz elektryczne napędu.
CZĘŚĆ ELEKTRYCZNA I ELEKTRONICZNA
Napęd jest wyposażony w elektroniczny układ automatyki wykorzystujący unipolarne tranzystory mocy. Do ograniczenia prądu rozruchowego silnika zastosowano układ soft-startu PWM. Czas załączenia oraz wyłączenia jest ograniczony poprzez układ czasowy do 3 s. Ponadto celem dokładnego pozycjonowania napędu przy zatrzymaniu w skrajnym położeniu układ wyposażono w hamowanie dynamiczne.
Krańcówki położenia napędu umieszczone są na dolnej części przekładni a regulacje położenia napędu umożliwiają krzywki osadzone na wałku zdawczym połączonym z cięgnem aparatu.
Wszystkie elementy służące do manewrowania lokalnie napędem są umieszczone na płycie czołowej. Układ wyposażony jest w grzałkę o mocy 30 W regulowaną za pomocą termostatu elektronicznego.
Układ elektroniczny posiada następujący spis sterowań i sygnalizacji.
- Sterowanie zdalne otwórz
- Sterowanie zdalne zamknij
- Sygnalizacja sterowanie ręczne
- Sygnalizacja sterowanie zdalne
- Sygnalizacja blokada mechaniczna
- Sygnalizacja pozycja załączona
- Sygnalizacja pozycja wyłączona
- Sygnalizacja otwarcie drzwi
- Sygnalizacja złego stanu akumulatorów
Napęd można blokować zarówno pod względem elektrycznym jak i mechanicznym.
Napęd możemy zablokować poprzez ustawienie łącznika wyboru pracy umieszczonego na przednim panelu napędu – gdy łącznik znajduje się w środkowej pozycji („odstawione”) niemożliwe jest elektryczne manewrowanie napędem. Włożenie korby do otworu powoduje automatyczną blokadę możliwości sterowania elektrycznego zarówno zdalnego jak i lokalnego niezależnie od stanu położenia łącznika wyboru pracy.
Blokada mechaniczna która poprzez przesunięcie dźwigni blokady, blokuje działanie napędu pozwalając jednocześnie na założenie kłódki. Jest to sytuacja gdy na linii pracują brygady i bardzo ważne pod względem ich bezpieczeństwa jest to, aby zapobiec przypadkowemu zamknięciu się rozłącznika. Niemożliwe jest wówczas ręczna manipulacja rozłącznikiem.
Otwarcie drzwi powoduje automatyczne blokowanie sterowania zdalnego do czasu ich zamknięcia.

SCHEMAT BLOKOWY

Obsługa, przeglądy okresowe i naprawy
Konstrukcja napędu zapewnia bezawaryjne działanie urządzenia przez okres 10 lat. Wszystkie elementy stalowe napędu są ocynkowane. Bieżące kontrole i przeglądy nie są wymagane.
Raz w roku zaleca się:
- kontrolę pewności zasilania napędu,
- kontrolę poprawności działania i umocowania łączników krańcowych, w przypadku obluzowania wykonać korektę położenia i poprawić mocowanie,
- sprawdzenie poprawności działania łącznika gdy w gnieździe napędu ręcznego znajduję się korba,
- sprawdzenie stanu przekładni ślimakowej i jej ewentualne czyszczenie i smarowanie,
- sprawdzenie stanu zadławienia przewodów,
- kontrolę stanu połączeń śrubowych układu przeniesienia napędu,
- kontrolę układu ogrzewania,
- kontrolę działania czujnika otwarcia drzwi.
Naprawy napędu należy przeprowadzać w oparciu o oryginalne części zamienne.
Odbiór techniczny
Wyrób został poddany odpowiednim procedurom sprawdzającym przez producenta. Użytkownik, odbierając urządzenia, zobowiązany jest do sprawdzenia kompletności wyposażenia.
Warunki gwarancji
Producent udziela na wyrób gwarancji obejmującej okres 24 miesięcy od daty zainstalowania, nie dłużej jednak niż 36 miesiące od daty sprzedaży pod warunkiem, że montaż i eksploatacja napędu będą prowadzone zgodnie z instrukcją.
Transport i przechowywanie
W czasie transportu, przeładunku i przechowywania, napęd powinien znajdować się w położeniu oznaczonym na opakowaniu i nie powinien być narażony na uszkodzenie mechaniczne. Transport napędu może odbywać się wszelkimi środkami transportu w stanie zakrytym.
