Osprzęt dla linii napowietrznych SN – Napędy ręczne
Napędy ręczne
Napędy ręczne przeznaczone są do ręcznego sterowania pracą łączników i łączników z uziemnikami napowietrznymi.
Napędy ręczne
Napędy ręczne z ruchem obrotowym NRA, NRAu
Charakterystyka i przeznaczenie:
Napędy typu NRA i NRAu przeznaczone są do ręcznego sterowania pracą łączników (NRA) i łącznik.w z uziemnikami (NRAu) napowietrznych produkcji Alpar sp. z o.o.
Konstrukcja klucza jest wykonana jako przelotowa dla cięgna napędu – umożliwia to regulowanie wysokością montażu klucza do słupa, a to z kolei pozwala na zamontowanie go w najwygodniejszej wysokości.
Klucze NRA(u) umożliwiają zar.wno montaż cięgna napędu o przekroju kwadratowym jak i okrągłym.
SPOSÓB ZAMAWIANIA NAPĘDÓW RĘCZNYCH:

Przykłady oznaczania:
NRAu E12/263 w.II
– Napęd ręczny do łącznika z uziemnikiem, mocowanego pod linią, na żerdzi typu E o średnicy wierzchołkowej fi263 i długości 12 metrów.
NRA E13,5 w. I
– Napęd ręczny do łącznika, mocowanego nad linią, na żerdzi typu E o długości 13,5 metra.
Wykaz podzespołów napędów ręcznych:

Budowa:
Napędy ręczne do łączników napowietrznych typu NRA i NRA(u) wykonane są ze stali, zabezpieczone przed korozją poprzez ocynkowanie zanurzeniowe zgodne z normą PN-EN ISO 1461:2011P. Są to napędy z ruchem obrotowym.
Napędy ręczne składają się z:
– Klucza napędu | Elementu pośredniego wraz z obejmą | Prowadnic słupa wraz z obejmami | Cięgien napędu | Przegubu cięgna | Drążka izolacyjnego (opcjonalnie).
Wykaz elementów napędu

OPIS PRACY NAPĘDÓW:
Każdy napęd ręczny podczas montażu do słupa powinien być sprzężony z łącznikiem w pozycji: zamknięty.
Napędy typu NRA pozwalają na dwustopniową pracę łącznika tj.
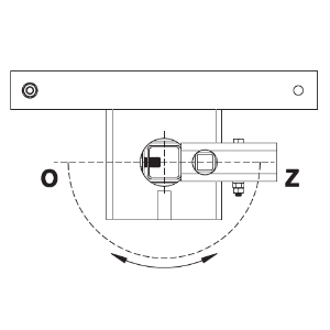
WIDOK KLUCZA NAPĘDU
Łącznik zamknięty
0° klucz z prawej strony – łącznik w pozycji zamkniętej*

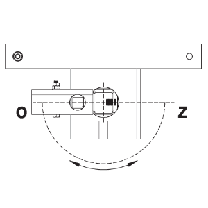
Łącznik otwarty
180° klucz z lewej strony – łącznik w pozycji otwartej

RZUT Z GÓRY


UWAGA! Ten typ napędu należy stosować tylko i wyłącznie do łączników bez uziemnika.
Nie dotyczy łączników modułowych pionowych (wertykalnych).
Dla tej grupy łączników rączka klucza napędu musi znajdować się po lewej stronie.
Napędy typu NRAu pozwalają na trójstopniową pracę łącznika tj.
Łącznik zamknięty
0° klucz z prawej strony
– łącznik w pozycji zamkniętej*

Łącznik otwarty nieuziemiony
90° klucz w środkowym położeniu
– łącznik w pozycji otwartej, nieuziemiony

Łącznik otwarty uziemiony
180° klucz z lewej strony
– łącznik w pozycji otwartej uziemiony

RZUT Z GÓRY



Dzięki zastosowaniu specjalnej blokady w kluczu napędu ręcznego (dotyczy tylko typu NRA(u)) – podczas otwierania blokada automatycznie zatrzymuje łącznik w pozycji: otwarty, nieuziemiony. To rozwiązanie gwarantuje, że łącznik zawsze zostanie otwarty w pozycji pośredniej. Żeby łącznik przestawić do pozycji trzeciej, tj.: otwarty, uziemiony; należy zwolnić blokadę napędu ręcznego poprzez podniesienie spustu. W każdej pozycji pracy klucz napędu NRAu można dodatkowo zabezpieczyć przed manewrowaniem za pomocą kł.dki energetycznej.
Nie dotyczy łączników modułowych pionowych (wertykalnych).
Dla tej grupy łączników rączka klucza napędu musi znajdować się po lewej stronie.
Napędy ręczne z ruchem posuwistym NRMA, NRMAu
Charakterystyka i przeznaczenie:
Napędy typu NRMA i NRMAu przeznaczone są do ręcznego sterowania pracą łączników (NRMA) i łączników z uziemnikami (NRMAu) napowietrznych produkcji Alpar sp. z o.o.
Konstrukcja klucza jest wykonana jako przelotowa dla cięgna napędu – umożliwia to regulowanie wysokością montażu klucza do słupa, a to z kolei pozwala na zamontowanie go w najwygodniejszej wysokości.
Klucze NRMA(u) umożliwiają zarówno montaż cięgna napędu o przekroju kwadratowym jak i okrągłym.
Sposób zamawiania napędów ręcznych

Przykłady oznaczania:
NRMAu E12/263 w.II
– Napęd ręczny do łącznika z uziemnikiem, mocowanego pod linią, na żerdzi typu E o średnicy wierzchołkowej fi263 i długości 12 metrów.
NRMA E13,5 w.I
– Napęd ręczny do łącznika, mocowanego nad linią, na żerdzi typu E o długości 13,5 metra.
WYKAZ PODZESPOŁÓW NAPĘDÓW RĘCZNYCH:

Budowa:
Napędy ręczne do łączników napowietrznych typu NRMA i NRMAu wykonane są ze stali, zabezpieczone przed korozją poprzez ocynkowanie zanurzeniowe zgodne z normą PN-EN ISO 1461:2011P. Są to napędy z ruchem posuwisto-zwrotnym.
Napędy ręczne składają się z:
Klucza napędu | Elementu pośredniego wraz z obejmą | Prowadnic słupa wraz z obejmami | Cięgien napędu | Przegubu cięgna | Drążka izolacyjnego (opcjonalnie).
Wykaz elementów napędu

OPIS PRACY NAPĘDÓW:
Każdy napęd ręczny podczas montażu do słupa powinien być sprzężony z łącznikiem w pozycji: zamknięty.
Napędy typu NRMA pozwalają na dwustopniową pracę łącznika tj.
WIDOK KLUCZA NAPĘDU
Łącznik zamknięty
0° klucz w położeniu górnym – łącznik w pozycji zamkniętej*

Łącznik otwarty
180° klucz w położeniu dolnym – łącznik w pozycji otwartej

RZUT Z GÓRY


UWAGA! Ten typ napędu należy stosować tylko i wyłącznie do łączników bez uziemnika.
Nie dotyczy łączników modułowych pionowych (wertykalnych).
Dla tej grupy łączników rączka klucza napędu musi znajdować się po lewej stronie.
Napędy typu NRMAu pozwalają na trójstopniową pracę łącznika tj.
Łącznik zamknięty
0° klucz w położeniu górnym
– łącznik w pozycji zamkniętej*

Łącznik otwarty nieuziemiony
90° klucz w środkowym położeniu
– łącznik w pozycji otwartej, nieuziemiony

Łącznik otwarty uziemiony
180° klucz w położeniu dolnym
– łącznik w pozycji otwartej, uziemiony

RZUT Z GÓRY



WIDOK POŁOŻENIA RUCHOMEJ BELKI (BIEGUNÓW)



Dzięki zastosowaniu specjalnej blokady w kluczu napędu ręcznego (dotyczy tylko typu NRMAu) – podczas otwierania blokada automatycznie zatrzymuje łącznik w pozycji: otwarty, nieuziemiony. To rozwiązanie gwarantuje, że łącznik zawsze zostanie otwarty w pozycji pośredniej. Żeby łącznik przestawić do pozycji trzeciej, tj.: otwarty, uziemiony; należy zwolnić blokadę napędu ręcznego poprzez podniesienie spustu. W każdej pozycji pracy klucz napędu NRAu można dodatkowo zabezpieczyć przed manewrowaniem za pomocą kłódki energetycznej.
